EN

CN EN JP






Brass is an alloy of copper and zinc (content greater than 20%)

Among them, C2680 brass is often used for flat washers, etc.

Excellent electrical conductivity, suitable for use in electrical appliances and energized parts

Excellent non-magnetic properties, suitable for use in medical instruments, testing instruments, etc. that require high non-magnetic properties

Excellent corrosion resistance, improved by nickel plating, beautiful appearance

Made in Japan, the elements of the material are evenly distributed and extremely stable.


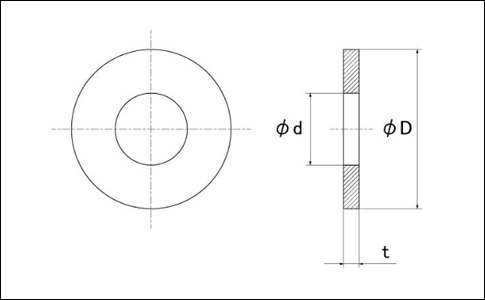
Brass flat washer

Material: C2680

Magnetic permeability: about 1.002μ



MATSUYAMASANYI CORPORATION. all rights reserved.粤ICP备2022096997号-3