EN

CN EN JP



Brass is an alloy of copper and zinc (content greater than 20%)

The representative brass grade is C2700, which is commonly used for small screws, bolts, hexagon socket screws, etc.

Excellent electrical conductivity, suitable for use in electrical appliances and energized parts

Excellent non-magnetic properties, suitable for use in medical instruments, testing instruments, etc. that require high non-magnetic properties

Excellent corrosion resistance, improved by nickel plating, beautiful appearance

Made in Japan, C2700 has evenly distributed elements and extremely high stability.


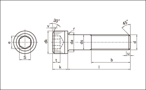
Brass hex socket head screws

Material: C2700 (brass)

Tensile strength: ≥370~440Mpa

Magnetic permeability: about 1.002μ

※Also compatible with phosphor bronze hexagon socket head screws




MATSUYAMASANYI CORPORATION. all rights reserved.粤ICP备2022096997号-3