EN

CN EN JP


SUS316L is a stainless steel that adds Mo to SUS304 to improve pitting corrosion resistance and acid resistance, and reduces carbon content to avoid intergranular corrosion.

Due to the presence of Mo in the basic composition, it has high strength even at high temperatures.


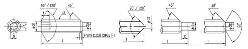
SUS316L hexagon socket set screw

Material: SUS316L

Hardness: ≥220HV

Stress corrosion resistance: The resistance to stress corrosion cracking is better than SUS304.

Magnetic permeability: 1.01~1.03μ

Manufacturing specifications: JIS B 1177

Thread specifications: JIS B 0205

Thread series: 6g

Surface treatment: passivation treatment

Commonly used in FPD manufacturing equipment/semiconductor manufacturing equipment/marine equipment/general industrial machinery, showing better resistance to chemicals and marine environments than SUS304

Corrosion resistance. It also surpasses SUS304/SUSXM7 in terms of non-magnetic properties and is often used in medical equipment.








MATSUYAMASANYI CORPORATION. all rights reserved.粤ICP备2022096997号-3