EN

CN EN JP



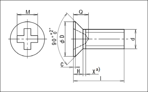
Micro Low Flat Head, Phillips Drive, No. 0 have a much smaller head than general screws and are often used in precision equipment.

Features

・Micro Low Flat Head, Phillips Drive, No. 0 refers to a specification number indicating the size of the cross slot for screws.

・Camera and Imaging Products Association (CIPA) (formerly Japan Camera Industry Standard, JCIS)

・The specification number is described as CIPA_AD-003-2020, with the name 'Precision Screws with Cross Slot (Micro Low Flat Head, Phillips Drive, No. 0)

・The difference from regular screws (JISB1111) is the head, especially the height of the head is small. The first type is about 50% smaller, and the third type is about 30% smaller


use to

・Ideal for electrical appliances and similar products.

・Small precision equipment.


Corresponding material

・SWCH identical steel (surface treatment such as blackening, trivalent, colored zinc, nickel, chromium, etc.)

・SUS304

・Brass

・Phosphor bronze




MATSUYAMASANYI CORPORATION. all rights reserved.粤ICP备2022096997号-3