EN

CN EN JP


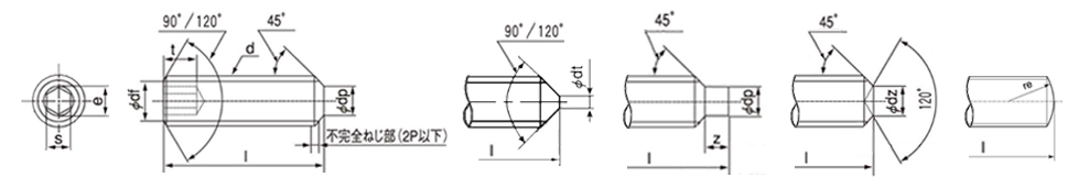
SUS304 Hexagon socket set screw

Supported specifications: M1.4 or higher

Manufacturer: ANSCO, NSN, GOSHO, KKT, TKS, etc.

Material : SUS304

Steel glade: A2

Hardness: ≥220HV

Rattling: JIS 6g

Surface treatment: Passivation treatment

The hexagonal hole has a strict dimensional tolerance,and some manufacturers make t larger than the standard value to make it less slippery.







MATSUYAMASANYI CORPORATION. all rights reserved.粤ICP备2022096997号-3