EN

CN EN JP


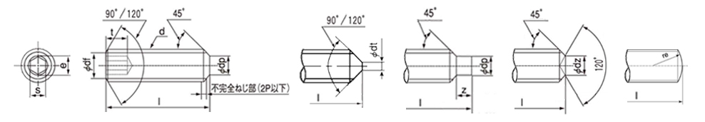
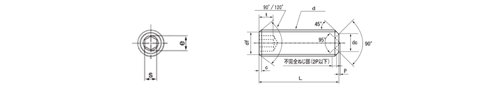
Hexagon Socket Set Screw

Supported specifications: M1.4 or more

Manufacturers: ANSCO, NSN, GOSHO, KKT, TKS, etc.

Material: Alloy steel

Strength class: 45H

Hardness: HRC45-50

Screw: JIS 6g

Surface treatment: black oxide coating

The hexagonal hole has a strict dimensional tolerance,and some manufacturers make t larger than the standard value to make it less slippery.









MATSUYAMASANYI CORPORATION. all rights reserved.粤ICP备2022096997号-3