EN

CN EN JP



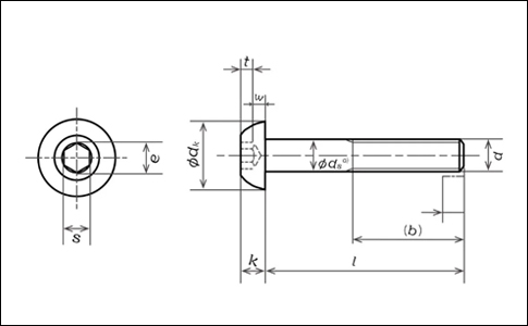
10.9Class hexagon socket button head screw(SSS-003)

Supported specifications:M3 to M8 (standard inventory)

Manufacturer: ANSCO M3-8; KKT M3-16; GOSHO (proprietary standard) M3-12, etc.

Material: Structural alloy steel

Hardness: ANSCO 32-39HRC、KKT 34-44HRC、GOSHO 36-44HRC

Surface treatment: blackening treatment (other surface treatments are available on demand)

Please ask our customer service for  specifications not shown in the following table .



MATSUYAMASANYI CORPORATION. all rights reserved.粤ICP备2022096997号-3