EN

CN EN JP



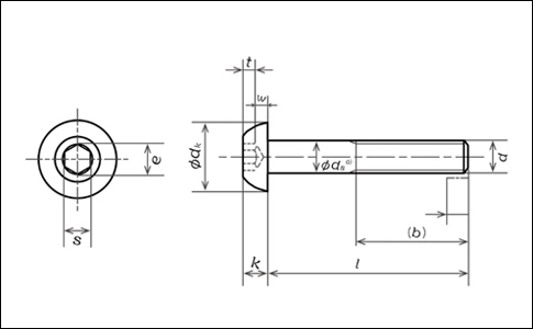
10.9Class hexagon socket button head screw(JIS1174)

Supported specifications:M3 to M8 (standard inventory)

Manufacturer: ANSCO,NSN,   etc.

Material: Structural alloy steel

Hardness: 32-39HRC

Surface treatment: blackening treatment (other surface treatments are available on demand)

Please ask our customer service for  specifications not shown in the following table .



MATSUYAMASANYI CORPORATION. all rights reserved.粤ICP备2022096997号-3